Er is een breed scala aan gangbare lasersystemen die worden gebruikt in een verscheidenheid aan toepassingen, zoals materiaalverwerking, laserchirurgie en teledetectie, maar veel lasersystemen hebben gemeenschappelijke sleutelparameters. Het vaststellen van gemeenschappelijke terminologie voor deze parameters voorkomt communicatiefouten, en door deze te begrijpen kunnen het lasersysteem en de componenten correct worden gespecificeerd om aan de toepassingsvereisten te voldoen.

Figuur 1: Schematisch diagram van een gangbaar lasermateriaalverwerkingssysteem, waarbij elk van de 10 belangrijkste parameters van het lasersysteem wordt weergegeven door een overeenkomstig getal
Basisparameters
De volgende basisparameters vormen de meest fundamentele concepten van lasersystemen en zijn ook van cruciaal belang voor het begrijpen van meer geavanceerde punten
1: Golflengte (typische eenheden: nm tot um)
De golflengte van een laser beschrijft de ruimtelijke frequentie van de uitgezonden lichtgolf. De optimale golflengte voor een gegeven gebruiksscenario is sterk toepassingsafhankelijk. Verschillende materialen hebben unieke golflengte-afhankelijke absorptie-eigenschappen bij materiaalverwerking, wat resulteert in verschillende interacties met het materiaal. Op dezelfde manier zullen atmosferische absorptie en interferentie bepaalde golflengten op een andere manier beïnvloeden bij teledetectie, en zullen verschillende complexen bepaalde golflengten op een andere manier absorberen bij medische lasertoepassingen. Lasers met een kortere golflengte en laseroptiek zijn gunstig voor het creëren van kleine en nauwkeurige kenmerken met minimale perifere verwarming, omdat het brandpunt kleiner is. Ze zijn echter over het algemeen duurder en gevoeliger voor schade dan lasers met een langere golflengte.
2: Vermogen en energie (typische eenheden: W of J)
Het vermogen van een laser wordt gemeten in Watt (W) en wordt gebruikt om het optische uitgangsvermogen van een continue golflaser (CW) of het gemiddelde vermogen van een gepulseerde laser te beschrijven. Gepulseerde lasers worden ook gekenmerkt door hun pulsenergie, die evenredig is met het gemiddelde vermogen en omgekeerd evenredig met de herhalingssnelheid van de laser (Figuur 2). Energie wordt gemeten in Joule (J).

Figuur 2: Visuele weergave van de relatie tussen pulsenergie, herhalingssnelheid en gemiddeld vermogen van een gepulseerde laser
Lasers met een hoger vermogen en meer energie zijn over het algemeen duurder en genereren meer afvalwarmte. Het behouden van een hoge straalkwaliteit wordt ook steeds moeilijker naarmate het vermogen en de energie toenemen.
3: Pulsduur (typische eenheden: fs tot ms)
Laserpulsduur of pulsbreedte wordt gewoonlijk gedefinieerd als de volledige breedte op half maximum (FWHM) van het optische laservermogen versus de tijd (Figuur 3). Ultrasnelle lasers bieden veel voordelen in een reeks toepassingen, waaronder precisiemateriaalverwerking en medische lasers. Ze worden gekenmerkt door korte pulsduur in de orde van picoseconden (10-12 seconden) tot attoseconden (10-18 en minder
P(W)
1/Herhalingsfrequentie
Koop openbare accounttijd(en)

Figuur 3: De pulsen van een gepulseerde laser worden in de tijd gescheiden door het omgekeerde van de herhalingssnelheid
4: Herhalingsfrequentie (typische eenheden: Hz tot MHz)
De herhalingsfrequentie of pulsherhalingsfrequentie van een gepulseerde laser beschrijft het aantal pulsen dat per seconde wordt uitgezonden of het omgekeerde tijdpulsinterval (Figuur 3). Zoals eerder vermeld is de herhalingssnelheid omgekeerd evenredig met de pulsenergie en direct evenredig met het gemiddelde vermogen. Hoewel de herhalingssnelheid in het algemeen afhankelijk is van het laserversterkingsmedium, kan deze in veel gevallen variëren. Hogere herhalingsfrequenties resulteren in kortere thermische relaxatietijden aan het oppervlak van de laseroptiek en bij de uiteindelijke focus, wat resulteert in een snellere materiaalverwarming.
5: Coherentielengte (typische eenheden: millimeters naar meters)
De laser is coherent, wat betekent dat elektrische stromen op verschillende tijdstippen of locaties coherent zijn. Er bestaat een vaste relatie tussen de veldfasewaarden. Dit komt omdat lasers, in tegenstelling tot de meeste andere soorten lichtbronnen, worden geproduceerd door gestimuleerde emissie. De coherentielengte definieert een afstand waarover de temporele coherentie van het laserlicht constant blijft gedurende de voortplanting van het laserlicht, zonder verslechtering tijdens het proces.
6: Polarisatie
Polarisatie definieert de richting van het elektrische veld van de lichtgolf, "het staat altijd loodrecht op de voortplantingsrichting. In de meeste gevallen zal laserlicht lineair gepolariseerd zijn, wat betekent dat het uitgezonden elektrische veld altijd in dezelfde richting wijst. Ongepolariseerd licht zal een elektrisch veld hebben dat in veel verschillende richtingen wijst. De mate van polarisatie wordt gewoonlijk uitgedrukt als de verhouding van het optische vermogen van twee orthogonale polarisatietoestanden, zoals 100:1 of 500:1.
Straalparameters
De volgende parameters karakteriseren de vorm en kwaliteit van de laserstraal.
7: Balkdiameter (typische eenheden: mm tot cm)
De straaldiameter van een laser karakteriseert de laterale uitbreiding van de straal, of de fysieke grootte ervan loodrecht op de voortplantingsrichting. Het wordt gewoonlijk gedefinieerd als de 1/e2-breedte, wat de breedte is van de straalintensiteit tot 1/e2 (=13,5%). Op het 1/e2-punt daalt de elektrische veldintensiteit naar 1/e (=37%). Hoe groter de bundeldiameter, hoe groter de optica en het hele systeem moeten zijn om bundelafkapping te voorkomen, wat de kosten verhoogt. Een verkleining van de straaldiameter vergroot echter de vermogens-/energiedichtheid, wat ook schadelijk kan zijn.
8: Vermogens- of energiedichtheid (typische eenheden: W/cm2 tot MWicm2 of uJ/cm2 tot J/cm2)
De straaldiameter houdt verband met de vermogens-/energiedichtheid van de laserstraal. Energiedichtheid, of de hoeveelheid optisch vermogen/energie per oppervlakte-eenheid. Hoe groter de straaldiameter, hoe lager de vermogens-/energiedichtheid van de straal bij een constant vermogen of energie. Een hoge vermogens-/energiedichtheid is vaak wenselijk bij de uiteindelijke output van het systeem (bijvoorbeeld bij lasersnijden of lassen), maar lage vermogens-/energieconcentraties zijn vaak gunstig binnen het systeem om door laser veroorzaakte schade te voorkomen. Dit voorkomt ook dat de gebieden met hoge vermogens-/energiedichtheid van de straal de lucht ioniseren. Om deze redenen worden laserstraalexpanders vaak gebruikt om de diameter te vergroten en zo de vermogens-/energiedichtheid binnen het lasersysteem te verminderen. Er moet echter op worden gelet dat de straal niet te veel uitzet, zodat deze wordt geblokkeerd voor openingen in het systeem, wat leidt tot energieverspilling en mogelijke schade.
9: Straalprofiel
Het straalprofiel van een laser beschrijft de verdeelde intensiteit over de dwarsdoorsnede van de straal. Veel voorkomende liggerprofielen zijn onder meer Gaussiaanse liggers en liggers met een platte bovenkant, waarvan de liggerprofielen respectievelijk de Gaussische functie en de platte topfunctie volgen (Afbeelding 4). Geen enkele laser kan echter een volledig Gaussiaanse of volledig vlakke straal produceren met een straalprofiel dat precies overeenkomt met zijn karakteristieke functie, omdat er altijd een bepaald aantal hotspots of fluctuaties in de laser aanwezig is. Het verschil tussen het daadwerkelijke straalprofiel van een laser en het ideale straalprofiel wordt vaak beschreven aan de hand van meetgegevens, waaronder de M2-factor van de laser
Gaussiaanse en platte bovenbalkprofielen

Figuur 4: Vergelijking van de bundelprofielen van een Gauss-bundel en een vlakke bovenbalk met hetzelfde gemiddelde vermogen of dezelfde intensiteit laat zien dat de piekintensiteit van de Gauss-bundel tweemaal zo groot is als die van de vlakke bovenbalk
10: Divergentie (typische eenheden: mrad)
Hoewel laserbundels vaak als gecollimeerd worden beschouwd, bevatten ze altijd een bepaalde mate van divergentie, die de mate beschrijft waarin de bundel als gevolg van diffractie op steeds grotere afstanden van de bundeltaille van de laser divergeert. Bij toepassingen met lange werkafstanden, zoals LiDAR-systemen, waarbij objecten zich op honderden meters afstand van het lasersysteem kunnen bevinden, wordt divergentie een bijzonder belangrijk probleem. Straaldivergentie wordt vaak gedefinieerd door de halve hoek van de laser, en de divergentie van een Gaussiaanse straal (0) wordt gedefinieerd als:

W is de golflengte van de laser en w0 is de bundeltaille van de laser
Laatste systeemparameters
Deze laatste parameters beschrijven de prestaties van het lasersysteem aan de uitgang
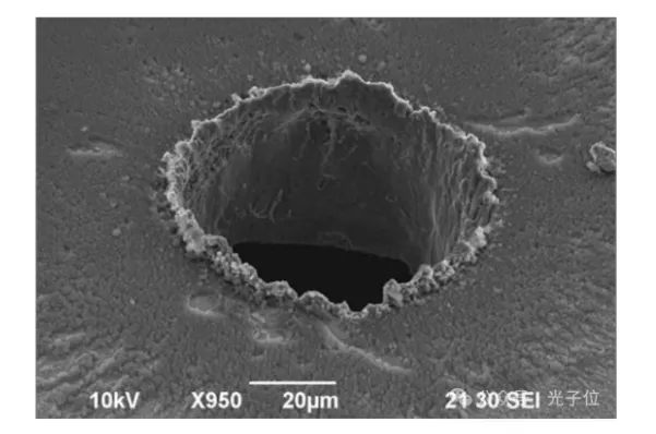
11: Spotgrootte (typische eenheden: um)
De vlekgrootte van een gefocusseerde laserstraal beschrijft de straaldiameter in het brandpunt van het focusserende lenssysteem. Bij veel toepassingen, zoals materiaalverwerking en medische chirurgie, is het doel om de vlekgrootte te minimaliseren. Dit maximaliseert de vermogensdichtheid en maakt het mogelijk bijzonder fijne kenmerken te creëren (Figuur 5). Asferische lenzen worden vaak gebruikt in plaats van traditionele sferische lenzen om sferische aberraties te verminderen en kleinere brandpuntsgroottes te produceren. Bij sommige soorten lasersystemen wordt de laser uiteindelijk niet op een bepaalde plek gefocusseerd, in welk geval deze parameter niet van toepassing is.

Figuur 5: Experimenten met lasermicrobewerking bij het Italiaanse Instituut voor Technologie tonen een 10-voudige toename van de ablatie-efficiëntie in een laserboorsysteem van nanoseconden wanneer de puntgrootte wordt verkleind van 220 µm naar 9 µm bij een constante stroomsnelheid
12: Werkafstand (typische eenheden: um tot m)
De werkafstand van een lasersysteem wordt doorgaans gedefinieerd als de fysieke afstand van het uiteindelijke optische element (meestal een focusseringslens) tot het object of oppervlak waarop de laser is scherpgesteld. Bepaalde toepassingen, zoals medische lasers, proberen doorgaans de werkafstand te minimaliseren, terwijl andere, zoals teledetectie, doorgaans gericht zijn op het maximaliseren van hun werkafstandbereik.






